Flow Wise Series Toilet Repair Parts
by American Standard
Repairing or replacing worn out parts in your Flow Wise toilet is a great way to save money - it will be back in good working order quickly, and is much more cost-effective than replacing the toilet. Toilets will last for years with proper maintenance,
and we here at PlumbingSupply.com
® are very happy to offer replacement fill valves, flush valves, and trip levers, as well some hard to find parts such as the clevis pin assembly, and tank to bowl coupling kits.

Tank #4023

Tank #4035
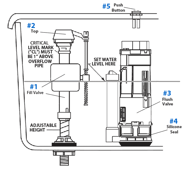
Replacement Parts for American Standard Flow Wise Series Toilets
Two Piece Model - #2073.014 / Tank #4023.014
Not sure which model toilet you have? Try looking under the toilet tank lid or inside of the toilet tank.
Replacement Parts for American Standard Flow Wise Series Toilets
Two Piece Models 2476, 2479, 2480, 2484, 2489, 2566, 2778, 2779
Tank #4035.216 and Tank #4035.516
Not sure which model toilet you have? Try looking under the toilet tank lid or inside of the toilet tank.
American Standard Toilet Parts By Series
Frequently Asked Questions
Q. "I installed a new fill valve and my new valve comes on (and then goes off) for a few seconds about once per hour?"
A. This could be caused by many things. The most common is with a Fluidmaster 400. This is a great valve but be sure to install the 1/4" tube per their instructions. Use the clip that comes with it and do not just stick it into the overflow tube or it will go on and off every so often by itself. If that isn't it, take some food coloring and place it in your tank. Wait a few hours and if some of the color has gone into the bowl then you probably need a new flapper.
Q. "My Universal Rundle toilet tank has a tilt valve. How does the Fluidmaster 400A fill valve allow the bowl to refill?"
A. If you are using a Fluidmaster 400A then you must also use the Fluidmaster #599 refill tube & clip. The clip attaches to the back of the tank and keeps the 1/4" refill tube pointed towards and into the overflow tube of the tilt valve. The 1/4" refill tube must not be attached directly into the overflow tube. There must be an air break between the refill tube and the overflow tube to keep the 400A from siphoning the water in the tank and putting it into the bowl continuously causing the 400A to turn on and off continuously.
Q. "Are all American Standard® parts 'standard' and are ALL their products and parts made in America?"
A. A number of their products are made overseas (as is the case with many other plumbing manufacturers as well). Please do not assume that all products made by American Standard (Am. Stan.) are made in the U.S. The word "standard" and "American Standard®" are NOT identical. Most of their faucet parts will only fit their brand (as is the case with their competitors as well). Many of their toilet parts will only fit their brand of toilet. Not all of American Standard® parts are universal ("standard"). We get this question frequently, and it is probably because some people assume that since they have the word "standard" as part of their name that they must be using parts that are "standard"; as in universally fitting. Just as car bumpers don't fit on all brands of cars, parts for "standard" toilets and faucets will generally not fit on other brands. Generally you must buy parts specifically made for (designed to fit) your specific brand of toilet/faucets, etc.
Have questions about toilet parts or toilet repair?
Read our comprehensive Toilet Repair Information & FAQs to learn how your toilet works, how to find the right replacement parts, and how to fix common problems.
return to top ↑