Sloan Optima-equipped concealed Flushometers provide the ultimate in sanitary protection and automatic operation. Since the electronic infrared sensor and the mechanical parts are installed behind the wall, no physical contact of the flush mechanism is made by the user, meaning less to clean, reducing cleaning and maintenance costs and vandalism worries. As an added plus, the automatic metered operation ensures water conservation usage providing savings other flushing devices cannot offer. Let PlumbingSupply.com
® be your source for these and many other
Sloan products.
Royal Optima Concealed, Electronic, Sensor Activated Water Closet/Toilet Flushometers
Designed for floor mounted back spud bowls with exposed back spud

Model #140-ES-S
Features:
- ADA Compliant when installed properly per the manufacturer's specifications
- 24 volt AC- Requires Sloan EL-154 transformer (sold separately below)
- Chrome plated wall cover plates with vandal resistant screws
- Permex™ rubber diaphragm, stop seat, & vacuum breaker for chloramine resistance
- Dual filtered diaphragm with fixed bypass provides extra durability
- 1" IPS wheel handle Bak-Chek® angle stop
- High back pressure vacuum breaker flush connection
- Includes spud coupling and flanges for 1-1/2" exposed back spud
- Sweat solder adapter
- High copper, low zinc brass castings for dezincification resistance
- ASSE 1037, ANSI/ASME A112.19.6 compliance
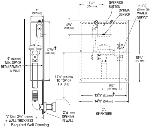
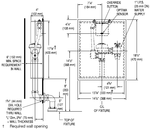
- WB models require 6" minimum wall thickness for installation
- WB models meet Military Specification V-29193
- Typical Sloan Optima infrared sensor installation wiring diagram
- Buy American Act compliant (note symbol for participating products)
These Sloan Royal Optima® sensor activated flushometers feature the Optima® EL-1500-L infrared sensor that adapts to its surrounding area emitting a continuous invisible light beam so when the user enters the effective range (22" to 42") of the sensor and then steps away the solenoid initiates the flushing cycle to flush the fixture. The solenoid has a 3 second flush delay to prevent false flushing. No physical contact of the flushometer is needed by the user unless they choose to use the "override button" for a courtesy flush. The solenoid cannot be held open and each flush is metered to allow only one flush per cycle to ensure water conservation.
Designed for floor mounted, exposed 1 1/2" back spud toilets, these flushometers offer superior sanitary protection for the user and less maintenance for the cleaning crew. Since the flush valve is located behind the wall only the exposed sensor plate, the short flush arm from the wall to the toilet, and the toilet itself needs to have regular cleaning. And because the flush valve is located behind the wall there is less chance of vandalism to the flush valve and the electronic components. In order to keep the fixture fresh and keep water in the toilet trap during long periods of non use, the solenoid will initiate the flushing cycle automatically every twenty-four (24) hours after the last use. These flushometers are typically used for restrooms in department stores, restaurants, theaters, health clubs, supermarkets, bars, schools, sports clubs, airports, or any other public facility.
The "WB" models come with a 13" x 17" EASY ACCESS® Wall Box with a stainless steel access panel and vandal resistant screws for those situations where behind the wall maintenance access could be structurally hindered after the initial installation has been completed. The wall box provides easy access for your maintenance crew and not the general public. Since these valves are made to last years and years, you may not need to service the flushometer and electronic components from the front of the wall very often, but it's nice to know it's there if you need it.
| Model # |
Description |
Price & Quantity |
140-1.6-ES-S |
Concealed, sensor activated flushometer - 2-3/4" to 10-3/4" LDIM - dimensions - 1.6 GPF |
$1,019.03 |
140-1.6-ES-S |
Concealed, sensor activated flushometer - 11-3/4" to 12-3/4" LDIM - dimensions - 1.6 GPF |
$758.47 |
140-ES-S |
Concealed, sensor activated flushometer - 2-3/4" to 10-3/4" LDIM - dimensions - 3.5 GPF |
$758.47 |
140-ES-S |
Concealed, sensor activated flushometer - 11-3/4" to 12-3/4" LDIM - dimensions - 3.5 GPF |
$883.62 |
|
140-WB-1.6-ES-S |
Concealed, sensor activated flushometer enclosed behind a 13" x 17" wall box 2-3/4" to 10-3/4" LDIM - dimensions - 1.6 GPF |
$1,093.45 |
| 140-WB-1.6-ES-S |
Concealed, sensor activated flushometer enclosed behind a 13" x 17" wall box 11-3/4" to 12-3/4" LDIM - dimensions - 1.6 GPF |
$1,093.45 |
140-WB-ES-S |
Concealed, sensor activated flushometer enclosed behind a 13" x 17" wall box 2-3/4" to 10-3/4" LDIM - dimensions - 3.5 GPF |
$1,273.94 |
140-WB-ES-S |
Concealed, sensor activated flushometer enclosed behind a 13" x 17" wall box 11-3/4" to 12-3/4" LDIM - dimensions - 3.5 GPF |
$1,273.94 |
| EL-154 |
120 VAC transformer - for up to 10 flushometers within 50ft. - dimensions - 50VA - EL-154 Transformer requires a 2 gang electrical box |
$71.84 |
Royal Optima Concealed, Electronic, Sensor Activated Water Closet/Toilet Flushometers
Designed for wall hung back spud bowls with concealed back spud

Model #152-ES-S
Features:
- ADA Compliant when installed properly per the manufacturer's specifications
- 24 volt AC- Requires Sloan EL-154 transformer (sold separately below)
- 1" IPS wheel handle Bak-Chek® angle stop
- Fits 1-1/2" wall hung, concealed back spud bowls
- Includes 1-1/2" spud coupling
- Sweat solder adapter
- High copper, low zinc brass castings for dezincification resistance
- Permex™ rubber diaphragm, stop seat, & vacuum breaker for chloramine resistance
- ASSE 1037, ANSI/ASME A112.19.6 compliance
- WB models require 6" minimum wall thickness for installation
- WB models meet Military Specification V-29193
- Typical Sloan Optima infrared sensor installation wiring diagram
- All of the flushometers below are Buy American Act compliant

These Sloan Royal Optima® sensor activated flushometers are designed for wall hung concealed 1-1/2" back spud toilet bowls. By keeping the flush valve located behind the wall there is less chance of vandalism to the flush valve and the electronic components. These flush valves are normally used in jails, prisons, highway rest areas, or state and national parks, because of their vandal resistant attributes. But by no means does this limit their use to just those locations. These can also be used for any public restroom where physical contact of the flushometer by the user is not wanted. Since the flush valve is located behind the wall only the exposed sensor plate and the toilet itself needs to be cleaned regularly saving in custodial time and costs.
Featuring the Optima® EL-1500-L, the infrared sensor adapts to its surrounding area by emitting a continuous invisible light beam so that when the user enters the effective range of the sensor (22" to 42") and then steps away the solenoid initiates the flushing cycle to flush the toilet bowl. The solenoid has a 3 second flush delay to help prevent false flushing.The solenoid cannot be held open and each flush is metered to only allow one flush per cycle to ensure water conservation. No physical contact of the flushometer is needed by the user, however, an "override button" is provided for those who choose to use a courtesy flush. During long periods of non use, the solenoid will initiate the flushing cycle automatically every twenty-four (24) hours after the last use, in order to keep water in the toilet trap and keep the toilet bowl fresh.
The "WB" models include a 13" x 17" EASY ACCESS® Wall Box with a stainless steel access panel and vandal resistant screws. The stainless steel access panel provides easy access for your maintenance crew but not for the general public. Behind the wall maintenance access is not always available after the original installation is completed due to the buildings structural or construction requirements and the wall box allows servicing of the flushometer and electronic components from the front of the wall.
| Model # |
Description |
Price & Quantity |
| 152-1.6-ES-S |
Concealed, sensor activated flushometer - 2-3/4" to 10-3/4" LDIM - dimensions - 1.6 GPF |
$699.09 |
| 152-1.6-ES-S |
Concealed, sensor activated flushometer - 11-3/4" to 12-3/4" LDIM - dimensions - 1.6 GPF |
$699.09 |
| 152-ES-S |
Concealed, sensor activated flushometer - 2-3/4" to 10-3/4" LDIM - dimensions - 3.5 GPF |
$699.09 |
| 152-ES-S |
Concealed, sensor activated flushometer - 11-3/4" to 12-3/4" LDIM - dimensions - 3.5 GPF |
$699.09 |
|
| 152-WB-1.6-ES-S |
Concealed, sensor activated flushometer enclosed behind a 13" x 17" wall box 2-3/4" to 10-3/4" LDIM - dimensions - 1.6 GPF |
$1,035.89 |
| 152-WB-1.6-ES-S |
Concealed, sensor activated flushometer enclosed behind a 13" x 17" wall box 11-3/4" to 12-3/4" LDIM - dimensions - 1.6 GPF |
$1,206.79 |
| 152-WB-ES-S |
Concealed, sensor activated flushometer enclosed behind a 13" x 17" wall box 2-3/4" to 10-3/4" LDIM - dimensions - 3.5 GPF |
$1,035.89 |
| 152-WB-ES-S |
Concealed, sensor activated flushometer enclosed behind a 13" x 17" wall box 11-3/4" to 12-3/4" LDIM - dimensions - 3.5 GPF |
$1,035.89 |
| EL-154 |
120 VAC transformer - for up to 10 flushometers within 50ft. - dimensions - 50VA - EL-154 Transformer requires a 2 gang electrical box - Note: This item is not BAA compliant. |
$71.84 |
Royal Optima Concealed, Electronic, Sensor Activated Water Closet/Toilet Flushometers
Designed for floor mounted or wall hung top spud bowls

Model #153-ES-S
Features:
- ADA Compliant when installed properly per the manufacturer's specifications
- 24 volt AC- Requires Sloan EL-154 transformer (sold separately below)
- Chrome Plated Exposed Flushometer Parts
- Permex™ rubber diaphragm, stop seat, & vacuum breaker for chloramine resistance
- Die cast sensor plate with no visible fasteners
- High copper, low zinc brass castings for dezincification resistance
- 1" IPS wheel handle Bak-Chek® angle stop
- High back pressure vacuum breaker flush connection, spud coupling and flanges for 1-1/2" exposed top spud
- Sweat solder adapter
- High copper, low zinc brass castings for dezincification resistance
- ASSE 1037, ANSI/ASME A112.19.6 compliance
- WB models require 6" minimum wall thickness for installation
- WB models meet Military Specification V-29193
- Sloan Optima infrared sensor installation wiring diagram
- Buy American Act compliant (note symbol for participating products)
According to the Merriam-Webster dictionary, a water closet is a compartment or room with a toilet or a toilet bowl and its accessories. These Sloan Royal Optima® sensor activated flushometers we are offering certainly meet the latter definition when added to a toilet bowl, and do it with sanitary style and class.
The Optima® EL-1500-L infrared sensor adapts to its surrounding area emitting a continuous invisible light beam so when the user enters the effective range (22" to 42") of the sensor and then steps away the solenoid initiates the flushing cycle to flush the fixture. Here is where the sanitary style part comes in. No physical contact of the flushometer is needed by the user unless they choose to use the "override button" for a courtesy flush. And here is where the class part comes in. The solenoid cannot be held open and each flush is metered to allow only one flush per cycle to ensure water conservation and has a 3 second flush delay to prevent false flushing. What can be classier than saving water? Well, maybe being sanitary! We certainly want to keep public enemy number one, disease, far away from us. You really can't get much more sanitary than not having to touch a flush lever that someone else has used before you.
Designed for floor mounted or wall hung 1-1/2" top spud toilet bowls. these flushometers offer superior sanitary protection for the user and less time spent sanitizing for the cleaning crew. Since the flush valve is located behind the wall only the exposed sensor plate, the short flush arm from the wall to the toilet, and the toilet itself needs to have regular cleaning. And because the flush valve is located behind the wall there is less chance of vandalism to the flush valve and the electronic components. In order to keep the fixture fresh and keep water in the toilet trap during long periods of non use, the solenoid will initiate the flushing cycle automatically every twenty-four (24) hours after the last use. These flushometers are typically used for restrooms in department stores, restaurants, theaters, health clubs, supermarkets, bars, schools, sports clubs, airports, or any other public facility where cleanliness and dependability is desired.
The "WB" models come with a 13" x 17" EASY ACCESS® Wall Box with a stainless steel access panel and vandal resistant screws for those situations where behind the wall maintenance access would be structurally prohibitive after the original installation has been completed. The wall box keeps the general public from tampering with the electronic components and flushometer, yet provides easy access for your maintenance crew. These valves are made in the USA with a quality compared to no one.
| Model # |
Description |
Price & Quantity |
153-1.6-ES-S |
Concealed, sensor activated flushometer - 2-3/4" to 10-3/4" LDIM - dimensions - 1.6 GPF |
$808.72 |
153-1.6-ES-S |
Concealed, sensor activated flushometer - 11-3/4" to 12-3/4" LDIM - dimensions - 1.6 GPF |
$942.25 |
153-ES-S |
Concealed, sensor activated flushometer - 2-3/4" to 10-3/4" LDIM - dimensions - 3.5 GPF |
$942.25 |
| 153-ES-S |
Concealed, sensor activated flushometer - 11-3/4" to 12-3/4" LDIM - dimensions - 3.5 GPF |
$942.25 |
|
153-WB-1.6-ES-S |
Concealed, sensor activated flushometer enclosed behind a 13" x 17" wall box 2-3/4" to 10-3/4" LDIM - dimensions - 1.6 GPF |
$1,142.35 |
153-WB-1.6-ES-S |
Concealed, sensor activated flushometer enclosed behind a 13" x 17" wall box 11-3/4" to 12-3/4" LDIM - dimensions - 1.6 GPF |
$1,330.91 |
153-WB-ES-S |
Concealed, sensor activated flushometer enclosed behind a 13" x 17" wall box 2-3/4" to 10-3/4" LDIM - dimensions - 3.5 GPF |
$1,142.35 |
153-WB-ES-S |
Concealed, sensor activated flushometer enclosed behind a 13" x 17" wall box 11-3/4" to 12-3/4" LDIM - dimensions - 3.5 GPF |
$1,330.91 |
| EL-154 |
120 VAC transformer - for up to 10 flushometers within 50ft. - dimensions - 50VA - EL-154 Transformer requires a 2 gang electrical box - Note: This item is not BAA compliant. |
$71.84 |
Frequently Asked Questions
Q. "What is the LDIM?"
A. LDIM is an abbreviation of the term "L" dimension that Sloan uses for length dimension and refers to the wall thickness plus 2-3/4" distance for the installation offset measured from the interior finished wall to the centerline of the flush valve. This measurement is needed to ensure you order the correct flushometer for your application.
Q. "What is Permex™?"
A. Permex™ is a patented rubber compound that is formulated to withstand the deteriorating effects of ammonia and chloramine which are often used in water treatment facilities and cleaners.
Q. "What does IPS mean?"™?"
A. IPS is an abbreviation and means iron pipe size.
Q. "What does it mean that a product is compliant with the Buy American Act (BAA) or with the American Recovery and Reinvestment Act (ARRA)? Are these products manufactured in the USA?"
A. The Buy American Act is a part of the American Recovery and Reinvestment Act of 2009 intended to help stimulate the United States' economy through the purchase of American-made goods. While the Buy American Act portion of the bill primarily regulates government spending, the regulations can help guide conscious consumers who wish to purchase American-made products. In general, an item that meets the requirements of the Buy American Act is assembled in the US and at least 50% of its components are domestically produced. While every single component of these products may not be produced in the US, a large portion are - and that portion is helping our American economy to grow and thrive.