Floor Drain & Cleanout Covers
Round, Square, Solid, Perforated
PlumbingSupply.com® has an excellent selection of general purpose floor drains, light-commercial drains and miscellaneous covers, and dome strainers. Buy one or one hundred - buy only what you need, when you need it! We are your source for thousands of plumbing supplies and plumbing-related products.
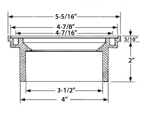
General Purpose Floor Drains

Shown: #845-4APK

Shown: #AGP-501R

Shown: #ASI-309
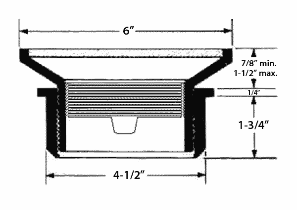
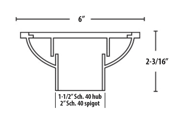
Light Commercial Floor Drains - Proudly made in the USA 

3" ABS

3" PVC
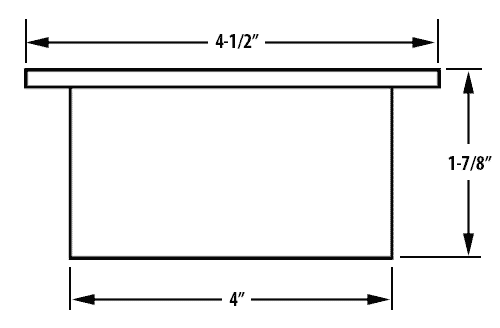
ABS Cleanout Drains and Access Covers

Shown: #ASC-3

Shown: #ASC-4

Shown: #AAC-3050

Shown: #PRV-64
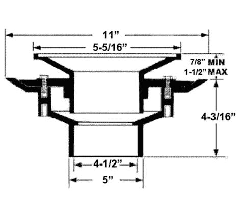
ABS Cleanout Drains With Bronze Covers

Shown: #AGI-513
Aluminum Floor Strainers for Floor Sinks
Replacement Cast Iron Floor Drain Covers (Grates)
Features of these floor drain covers:
- Versatile use drain covers for almost any drain imaginable
- For both indoor and outdoor applications such as side walks, hallways, court yards, breeze ways, commercial and residential showers, restrooms, utility rooms and more
- Heavy duty cast iron construction
- Green enamel painted
- Paintable to match existing surroundings
- Variety of diameters available
- 1/4" thick and 5/16" models available
- Note: although these are heavy duty drain covers, they are not traffic bearing
Cast Iron Drain Covers -
1/4" Thick Models
Cast Iron Drain Covers -
5/16" Thick Models
Heavy Duty Screw-In Cast Strainers / Covers / Grilles

Shown: 5 1/2" Polished Nickeland
Features:
- Heavy duty cast brass and Nickeland (cast nickel) construction with slotted pattern
- Slotted pattern may differ from size to size
- Includes 2 finish matching screws
- Strainers may have a logo or words stamped into them and some are plain (nothing stamped into them)
- Strainers are sand-casted and may have slight imperfections due to this manufacturing process - does NOT affect function or strength of cover
- Actual diameters can vary slightly larger or smaller (±1/16")
- 3 finishes to choose from: Polished Nickeland, Polished Brass, and Antique Brass
- Proudly made in the USA

Please note: These 7 1/2" diameter .160" thickness covers have a 5 - 6 week lead time.
Miscellaneous Replacement
Strainer Plates
Related Items & Accessories
Frequently Asked Questions
Q. "Eureka, I finally found a place that looks like they have the drain cover that broke last year and that I need. Can I return it if it doesn't fit?"
A.Certainly you can return the product - it must be in perfect shape with all of its original packaging, etc. (please see our Return Policy page) - but we will charge a restocking fee on the returned product(s).
Q. "How thick are the drain covers that say .075" - .250"?"
A. These drain covers have a thickness that ranges between .075" and .250". This is close to 1/8" thick but this size is not pre-determined, and due to slight natural variances in the casting process will be somewhere between this range after the cover is cast.
Please note: While we strive to ensure every product we label as "Made in the USA" really is 100% made in the USA, it is also important to understand that sometimes manufacturers make changes to their products, or for various reasons may receive components or materials that they would normally purchase domestically from an overseas supplier - and they don't necessarily let distributors (like us!) know that they've changed something about the product or where it is manufactured.
If you receive a product that PlumbingSupply.com® says is "Made in the USA" and the product states it was manufactured elsewhere, please contact us. We will happily replace or refund your purchase to your satisfaction.
return to top ↑