Mid-Town® Collection
by Gerber® (formerly Danze®)

Like a skyscraper towering over the heart of Manhattan, the Gerber® Mid-Town® collection projects a modern-styled bravado that makes a bold design statement in your bathroom. However, if you think it's just another pretty face - guess again. As with all Gerber® products, the Mid-Town collection offers enhanced durability and exceptional performance - not to mention contemporary styling and incredible value in some of today's most popular finishes. With the quality, value and high style offered here, why shop anywhere else?
click any image below to jump directly to that section

Kitchen Faucets

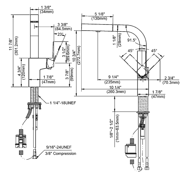
Mid-Town Single Handle Kitchen Faucet with Pull-Out Spray

Mid-Town kitchen faucet with pull-out spray
This kitchen faucet features:
  • Ultra modern style is perfect for contemporary kitchens
  • Extra tall 11-7/8" high swivel spout with 9-1/4" spout reach fits perfectly into spacious, open kitchen designs
  • Pull-out spout with Snapback retraction system makes rinsing produce and washing the sink a breeze, then slides back into place perfectly every time
  • Ceramic disc valves provide a tight, leak-free seal for long-lasting performance
  • Decorative ADA Compliant single lever handle
  • Available in classic chrome, stylish stainless steel, or contemporary satin black finish
  • Water-saving 1.75 gpm flow rate with 2 function spray/aerated stream offers you an efficient kitchen faucet without sacrificing performance
  • Compliant with state water efficiency standards for customers in California
  • View detailed kitchen faucet dimensions
Model Description Chrome Stainless Steel Satin Black
D404562 Mid-Town Single Handle Pull-Out Spray Kitchen Faucet $416.05 $540.33 $560.65 Enter a quantity and

Tub & Shower Accesories

Mid-Town Rectangle Showerhead & Accessories

Gerber Mono Chic rectangle shower head in Chrome
This deluxe shower head features:
  • Sleek, masculine style perfectly complements the Mid-Town bath collection
  • Single downpour rain-like spray function from 88 easy clean jets
  • Utilizes Air Injection technology to optimize water intensity and provide you with a great shower even at low pressures
  • Brass ball joint for durability and smooth adjustment
  • Available in durable chrome, stylish brushed nickel, or trendy satin black finish
  • View detailed shower head dimensions
  • Compliant with CEC low-flow showerhead regulations
  • WaterSense Certified (1.75 gpm) for high performance water savings
  • All brass shower arm and diverter tub spout also available separately
Model Description Chrome Brushed Nickel Satin Black
D460066 Mid-Town Mono Chic Rectangular 5" x 8" Showerhead $115.19 $146.69 $152.20 Enter a quantity and
D481162 Mid-Town 12-1/2" Deluxe Shower Arm $145.87 $189.53 $182.57 Enter a quantity and
DA606445 Mid-Town 7-1/2" Wall Mount Diverter Tub Spout $124.64 $158.50 $164.80 Enter a quantity and

Related Items & Information



Gerber Kitchen and Bathroom Faucets by Collection

Danze kitchen faucet

Kitchen Collections
Amalfi - Draper - Kinzie - Melrose - Mid-Town - Opulence - Parma - Selene - Sirius - Vaughn


Danze bathroom faucet

Bathroom Collections
Amalfi - Antioch - Mid-Town - Opulence - Parma - Sirius -


Danze® Amalfi, Antioch, Melrose, Mid-Town, Opulence, Parma, and Sirius are registered trademarks of Gerber Plumbing Fixtures LLC.



Frequently Asked Questions

Q. "I noticed the shower valve says 'with stops,' what does that mean?"
A. "With stops" means that the valve includes shut-offs for the water line so you don't have to shut off water to the entire house to work/repair parts on the shower/tub system.

Q. "Why should I choose a WaterSense labeled faucet?"
A. Well, the numbers can speak for themselves: It is estimated that by installing WaterSense labeled faucets and accessories, the average household can save more than 500 gallons per year. Most of us know that we can conserve water by turning off the tap when not in use, but many may not know you can save water while using it with the right water saving faucet. The WaterSense partnership program is sponsored by the EPA which provides water conservation and quality guidelines for participating manufacturers. All products with the WaterSense label have had complete third party certification and testing to ensure they meet the criteria, which is to reduce water use by 20-30 percent with out sacrificing performance and also maintain high quality standards. Please note that due to state low-flow regulations, we cannot ship non-WaterSense certified lavatory faucets or showerheads to customers in Colorado. Please check to ensure the product you're selecting is WaterSense certified prior to ordering to help avoid any delays or problems with your order.

Q. "What kind of products are WaterSense labeled?"
A. Bathrooms are by far the largest water users in the home, accounting for more than half of all the water that families use indoors. Thus, you can find a wide range of lavatory faucets, showers, and toilets available with the WaterSense label. Just look for notes on the product page for the item(s) you've selected to find out which products we offer that carry WaterSense certification.

Q. "What are the new California Energy Commission water efficiency standards and how does this affect me?"
A. Effective January 1, 2016, certain plumbing fixtures will be required to comply with new California Energy Commission requirements for flow rate and water efficiency. Since the program began in 1976, it has continually worked to develop standards for energy- and water-using appliances and fixtures that will help Californians to conserve energy and water. To help the state deal with current and future drought conditions, only water-saving plumbing fixtures will be legally available for sale in California. Products like faucets, toilets, urinals, and shower heads are all affected by the new regulations.

Sold after January 1, 2016:
  • Public lavatory faucets & aerators must have a maximum flow rate of 0.5 gallons per minute or less (at 60psi)
  • Kitchen faucets & aerators must have a maximum flow rate of 1.8 gallons per minute or less (at 60psi) - dual function faucets may have an optional temporary flow of 2.2 gallons per minute
  • Toilets must use a maximum 1.28 gallons per flush or less - or a dual-flush effective flush volume of 1.28 gallons per flush or less
  • Wall mounted urinals must use a maximum 0.125 gallons per flush or less
  • Other urinals must use a maximum 0.5 gallons per flush or less
Sold after July 1, 2016:
  • Lavatory faucets & aerators must have a maximum flow rate of 1.2 gallons per minute or less (at 60psi)
  • Shower heads must have a maximum flow rate of 2.0 gallons per minute or less (at 80psi)
Sold after July 1, 2018:
  • Shower heads must have a maximum flow rate of 1.8 gallons per minute or less (at 80psi)

What this means for the average consumer is that you can rest easy knowing that the product you're getting is compliant with the law - and will help you do your part to save water, our most precious natural resource. Additionally, it is important to note that current EPA WaterSense program requirements are not as stringent as the California Energy Commission requirements. Thus, not all WaterSense products may be compliant with the new laws in California. Please be sure to review the specifications of the product you're purchasing prior to placing your order as we cannot ship non-compliant products to our customers in California.


return to top ↑

Copyright© 1995-2025 PlumbingSupply.com.
All Rights Reserved.